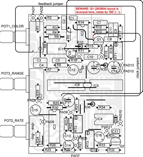
ebook
FJW Boss Rt3 Wiring Diagram Stb9602 Control Read Info

Privacy Policy | DMCA | Contact DMCA

Chrysler Grand Voyager Wiring Diagrams Download Privacy Policy | DM…
Auto Electrical Wiring Diagram Software Privacy Policy | DMCA | Co…
Arduino Seven Segment Display Wiring Diagram Privacy Policy | DMCA …
Suzuki Samurai Wiring Privacy Policy | DMCA | Contact DMCA
2003 Suzuki Sv650S Wiring Diagram Privacy Policy | DMCA | Contact …
448 Case Garden Tractor Wiring Diagram Privacy Policy | DMCA | Con…