ebook
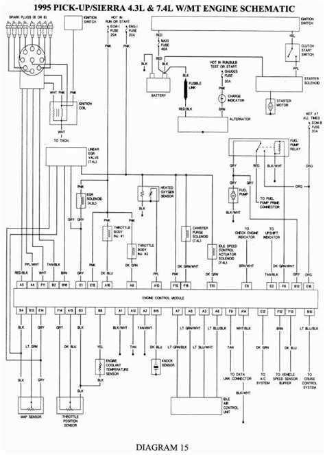
JRJ 90 Chevy C1500 Wiring Diagram Info Book

Privacy Policy | DMCA | Contact DMCA

Chrysler Grand Voyager Wiring Diagrams Download Privacy Policy | DM…
Auto Electrical Wiring Diagram Software Privacy Policy | DMCA | Co…
Arduino Seven Segment Display Wiring Diagram Privacy Policy | DMCA …
Suzuki Samurai Wiring Privacy Policy | DMCA | Contact DMCA
2003 Suzuki Sv650S Wiring Diagram Privacy Policy | DMCA | Contact …
448 Case Garden Tractor Wiring Diagram Privacy Policy | DMCA | Con…